ECX - RC Exploded Views and Parts Lists
Share RCScrapyard on Facebook
RCScrapyard Radio Controlled Models
Flags
This page contains ads from which we may earn commission. For more, see our Disclosure page.
bar

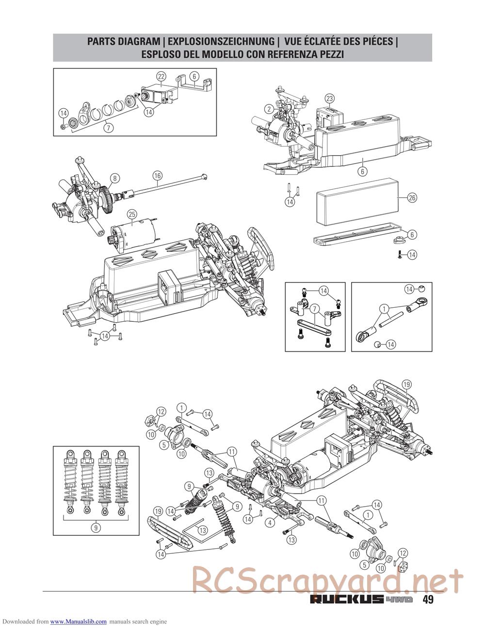
ECX Ruckus 4WD
ECX01000 / ECX01000EU / ECX01000UK
Exploded Views and Parts Lists

With Part Numbers and Codes



Desktop Users : Ctrl + Scroll the Mouse Wheel for Zoom.
ECX - Ruckus 4WD - Manual - Page 13
ECX - Ruckus 4WD - Manual - Page 14
ECX - Ruckus 4WD - Manual - Page 15
ECX - Ruckus 4WD - Manual - Page 16





^ Back To Top ^







Manufacturers and Brands Catalogued and Listed by RC-Scrapyard.

   At present, the RC Model Manufacturers, Brands and Distributors covered by us are: ARRMA, Academy, Acme Racing, Agama Racing, Amewi, Ansmann Racing, ARRMA, Team Associated, Atomic RC, Axial, AYK, Bolink, BSD Racing, Capricorn, Carisma, Carson, Caster Racing, Cen, Corally, Custom Works, Durango, Duratrax, ECX - Electrix, Exceed RC, FG Modellsport, FS-Racing, FTX, Fujimi, Gmade, GS-Racing, Harm, HBX, Helion, Heng Long, Himoto Racing, Hirobo, Hitari, Hobao, Hong-Nor, Hot Bodies, HPI, HSP, Intech, Integy, Jamara, JQ Products, Kawada, Kyosho, Losi, LRP, Maisto, Mardave, Marui, Maverick, MCD Racing, Megatech, Mugen, New Bright, Nichimo, Nikko, Nkok, Ofna, Pro-Pulse, Protech, PTI, RC4WD, Redcat Racing, RJ-Speed, Robitronic, Schumacher, Seben, Serpent, Smartech, Sportwerks, Step-Up, Tamiya, Team-C Racing, Team Magic, Thunder Tiger, Tomy, Top Racing, Traxxas, Trinity, Tyco, Vaterra RC, Venom, VRX Racing, WLToys, X-Factory, Xmods, Xpress, Xray, XTM, Yankee RC, Yokomo, ZD Racing and Zipzaps.

   This is an ongoing project, with new and "lost in time" RC Models and Brands being added as they are found and although most of those listed above have been covered in relative detail, some are still being researched and will be completed in the near future.














RC Models:
Radio
& Motors:
Other
Accessories: